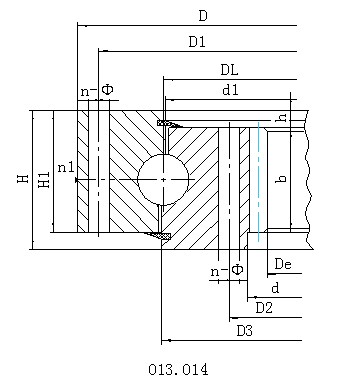
單排四點接觸球式回轉支承(01系列)——內齒式
注: 1、n1為潤滑油孔數,均布:油杯M10×1 JB/T7940.1-JB/T7940.2 2、安裝孔n-dn1、n-dn2可改用螺孔;齒寬b可改為H-h。 3、表內齒輪圓周力為最大圓周力,額定圓周力取其1/2。 4、內齒修頂系數為0.2。
外齒式圖紙列表
無齒式圖紙列表